Silnik Rato RV170-C wał pionowy 22,2 mm / 80 mm
Nowość
- Do kosiarek pionowy wal automatyczne ssanie hamulec regulacja obrotów lekkie kolo miska Z3402Silnik Rato RV170 wal pionowy 80 mm sr. 7/8 cala 22.2 mm typ walu C
- Dane techniczne:
- - Max moc wg Rato 3,2 kW/3600 obr/min,
- - Moc uzyteczna wg Rato 2,4 kW/3000 ob
Patryk Czerwiński
Kacper Świderek
Osoba kontaktowa
Łukasz Czerwiński
Adam Stolarczyk
Specjalista ds. Produktu:
Marcin Woźniak
Paweł Godlewski
Jakub Dmochowski
Kacper Świderek
Zapytaj o produkt
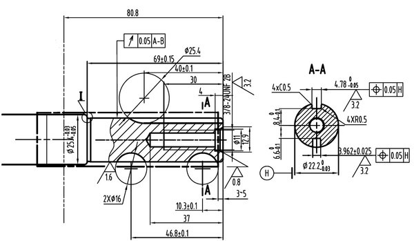
Silnik Rato RV170 wał pionowy 80 mm śr. 7/8 cala 22.2 mm typ wału C
Dane techniczne:
- Max moc wg Rato 3,2 kW/3600 obr/min,
- Moc użyteczna wg Rato 2,4 kW/3000 obr/min,
- Max moment obr. wg Rato 9,0 Nm/2500 obr/min,
- Poj. skokowa 173 cm3,
- Poj. układu smarowania 0,6 L,
- Poj. zbiornika paliwa 1,0 L,
- Śr. wału 22,2 mm dł.od miski 80 mm,
- Wymiary (dł/szer/wys) 395 x 348 x 282 mm,
- Waga bez płynów 12,5 kg,
- Automatyczne ssanie,
- Rozruch linkowy ręczny,
- Filtr powietrza kartonowy,
- Certyfikat normy EPA.
Niepotwierdzona zakupem
Ocena: /5
Napisz swoją opinię
Niepotwierdzona zakupem
Ocena: /5










